Shop Parts & Accessories

Shop Aftermarket

Shop Clearance

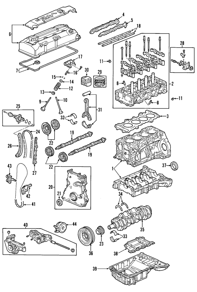
What to Know About Valves and Parts

Overhead valve engines and camshaft engines share similar and different valves and parts. Overhead valve engine parts include valve springs, rocker arms, pushrods, and lifters. Overhead camshaft engine parts include valve springs, rocker arms, and lifters. The main difference between these engine parts is the location of the camshaft.

In an overhead camshaft engine, the camshaft is on the top of the engine and lacks pushrods. In an overhead valve engine, the camshaft is below the head and includes pushrods. The type of valves and parts you need for your vehicle may vary depending on your engine type.

The two parts of an engine valve are the valve stem and the valve head. If your engine valves are bad, you might see blue exhaust smoke or an oil leak under your vehicle, and you might experience excessive oil consumption, loss of power, or rough idling.

Buy Replacement Valves and Parts Online With AutoNation Parts

Find genuine replacement valves and parts by shopping online with AutoNation Parts. Whether you need to replace the valves directly or related parts like the valve springs, rocker arms, or lifters, we have an extensive selection of genuine replacement parts for your vehicle. Get started by entering your vehicle's information to see what's available.

Tire AutoNation Parts

Tires, wheels, and more.

We can get you there

Filter

availability
Category
Brand
Product Type
availability
Category
Brand
Product Type
12677182 - : Engine Oil Dipstick for GM Image

Engine Oil Dipstick

3.6L. This GM Genuine Part is designed, engineered, and tested to rigorous standards and is backed by General Motors Engine Oil Dipstick.
$11.86
MSRP $16.07
Save $4.21
26.2% Off
12638461 - : Engine Oil Level Indicator Tube for GM Image

Engine Oil Level Indicator Tube

CTS. With vsport. Sedan, 3.6L twin-turbo. Coupe, 3.6L twin-turbo. This GM Genuine Part is designed, engineered, and tested to rigorous...
$59.19
MSRP $82.10
Save $22.91
27.9% Off
12698498 - : Filler Tube for GM Image

Filler Tube

1.3L turbo. Engine Oil Filler Tube.
$6.41
MSRP $8.68
Save $2.27
26.2% Off
12618063 - : Engine Intake Manifold Cover for GM Image

Engine Intake Manifold Cover

3.5L, sedan. 3.5L, wagon. Engine Cover.
$79.77
MSRP $112.39
Save $32.62
29% Off
12574386 - : Oil Filler Tube for GM Image

Oil Filler Tube

5.3L. 6.0L. 6.2L. Engine Oil Filler Tube.
$61.62
MSRP $85.44
Save $23.82
27.9% Off
12570788 - : Engine Oil Dipstick for GM Image

Engine Oil Dipstick

6.0 & 6.2L without supercharged. Engine Oil Dipstick.
$34.80
MSRP $48.27
Save $13.47
27.9% Off
12716030 - : Upper Bracket for GM Image

Upper Bracket

$11.85
MSRP $16.05
Save $4.20
26.2% Off
14761RMX004 - : Engine Valve Spring for Honda Image

Engine Valve Spring

Insight. Chuo spring. Civic Hybrid. Chuohatsujo. Intake. Vendor:chuo hatsujo. Engine Valve Spring.
$12.69
MSRP $15.80
Save $3.11
19.7% Off
14765PCX000 - : Engine Valve Spring Retainer for Honda Image

Engine Valve Spring Retainer

S2000. Engine Valve Spring Retainer.
$7.98
MSRP $9.93
Save $1.95
19.6% Off
156506FBA00 - : Engine Oil Dipstick for Honda Image

Engine Oil Dipstick

$14.35
MSRP $18.68
Save $4.33
23.2% Off
17147RGWA00 - : Engine Cover Bracket for Honda Image

Engine Cover Bracket

3.5L. I-vtec. A bracket for a engine cover.
$33.96
MSRP $44.22
Save $10.26
23.2% Off
1565059B000 - : Engine Oil Dipstick for Honda Image

Engine Oil Dipstick

Coupe, sedan, 1.5L turbo. Coupe/wagon, 1.5L turbo. Hatchback,. Engine Oil Dipstick.
$13.26
MSRP $17.27
Save $4.01
23.2% Off
No Parts Found
Clear Your Vehicle Search for Another Vehicle
Or try a new Keyword Search in the bar above